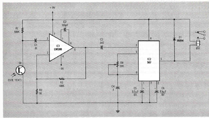
Este circuito es el receptor del transmisor del proyecto anterior. También lo encontramos en el número de 1989 de la revista Radio Electronics Experimenter.
Encontramos este circuito en un manual de General Electric de 1965. El circuito se aplica solo a...
Encontrado en la documentación de Motorola de la década de 1960, este circuito de temporización puede durar...
Encontrado en Radio Electronics de los años 90, este circuito produce pulsos para probar un...