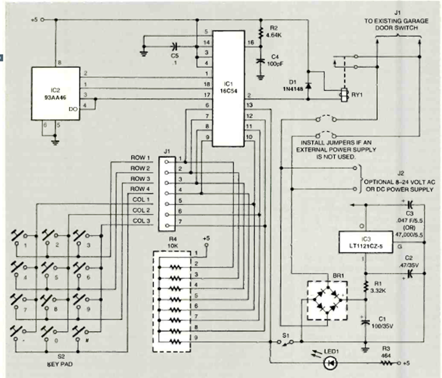
Encontramos este circuito con código clave en la edición de enero de 1999 de la revista Electronics Now. Algunos de los componentes son circuitos integrados de esa época.
Esta es una broma inofensiva para quien le gusta dar golpes en los demás. Un capacitor cargado,...
Es un montaje ultra simple que usted puede hacer con componentes de chatarra. Se trata de un...
Presione un botón (S1) y una aguja sin conexión eléctrica alguna se mueve misteriosamente. Este montaje, basado...