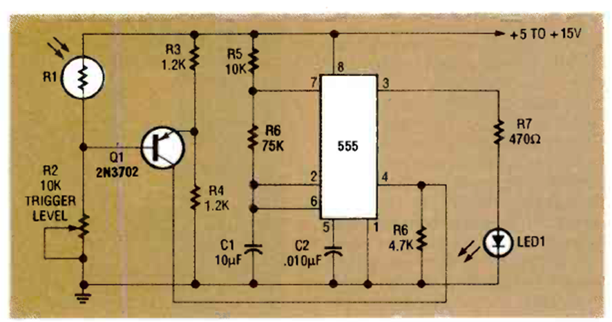
Encontramos este circuito en la edición de noviembre de 1992 de la revista Radio Electronics. El circuito utiliza un LDR como sensor y el transistor puede ser cualquier transistor de propósito general.
Encontramos este circuito en un manual de General Electric de 1965. El circuito se aplica solo a...
Encontrado en la documentación de Motorola de la década de 1960, este circuito de temporización puede durar...
Encontrado en Radio Electronics de los años 90, este circuito produce pulsos para probar un...