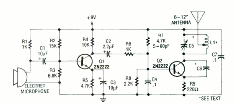
Este sencillo transmisor FM de dos transistores se encontró en la edición de noviembre de 1991 de la revista Radio Electronics. El circuito tiene una bobina de 2+2 vueltas de alambre sin forma de calibre 28 con un diámetro de 1 cm.
Esta es una broma inofensiva para quien le gusta dar golpes en los demás. Un capacitor cargado,...
Es un montaje ultra simple que usted puede hacer con componentes de chatarra. Se trata de un...
Presione un botón (S1) y una aguja sin conexión eléctrica alguna se mueve misteriosamente. Este montaje, basado...