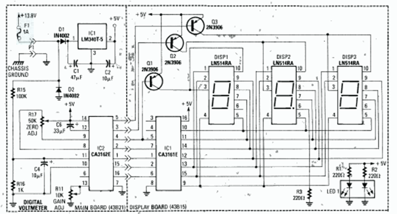
Este circuito de 3 dígitos se encontró en la edición especial de 1992 del Radio Electronics Handbook. El circuito produce un patrón de voltaje para pruebas de banco.
Encontramos este circuito en un manual de General Electric de 1965. El circuito se aplica solo a...
Encontrado en la documentación de Motorola de la década de 1960, este circuito de temporización puede durar...
Encontrado en Radio Electronics de los años 90, este circuito produce pulsos para probar un...