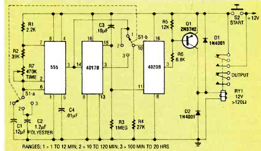
Este circuito se encontró en un artículo sobre el 555 en la revista Radio Electronics de noviembre de 1992. El circuito utiliza un relé de 12 V y tiene dos rangos de temporización.
Encontramos este circuito en un manual de General Electric de 1965. El circuito se aplica solo a...
Encontrado en la documentación de Motorola de la década de 1960, este circuito de temporización puede durar...
Encontrado en Radio Electronics de los años 90, este circuito produce pulsos para probar un...