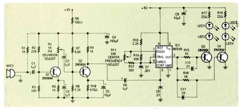
Este circuito fue encontrado en la revista Radio Electronics de diciembre de 1992. El alcance depende de las capacidades ópticas y también de las condiciones climáticas.
El amplificador operacional utilizado en este circuito de una documentación de los años 70 ya no...
El circuito integrado CA3020 fue uno de los primeros tipos comerciales, vendido en la década de 60....
Este es un circuito de monitor de corriente inteligente del lado alto. El circuito es de un manual...