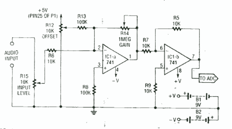
Este circuito, que se encuentra en la revista Radio Electronics de febrero de 1992, está destinado a adaptar una señal de audio para ser utilizada en el ADC de una computadora. Se puede adaptar para funcionar con microcontroladores.
Esta es una broma inofensiva para quien le gusta dar golpes en los demás. Un capacitor cargado,...
Es un montaje ultra simple que usted puede hacer con componentes de chatarra. Se trata de un...
Presione un botón (S1) y una aguja sin conexión eléctrica alguna se mueve misteriosamente. Este montaje, basado...