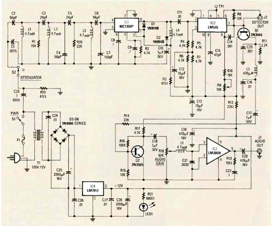
A diferencia del anterior, este circuito está pensado para recibir señales moduladas en frecuencia transmitidas por la red eléctrica. El circuito es de una Radio Electronics de febrero de 1989.
Este reforzador de señales permite mejorar la recepción de su radito de ondas medias y cortas (no...
Es una experiencia de electromagnetismo muy simple que se puede realizar con material común, como...
La finalidad de este proyecto didáctico es matriz de 170 puntos es mostrar cómo un multivibrador astable...