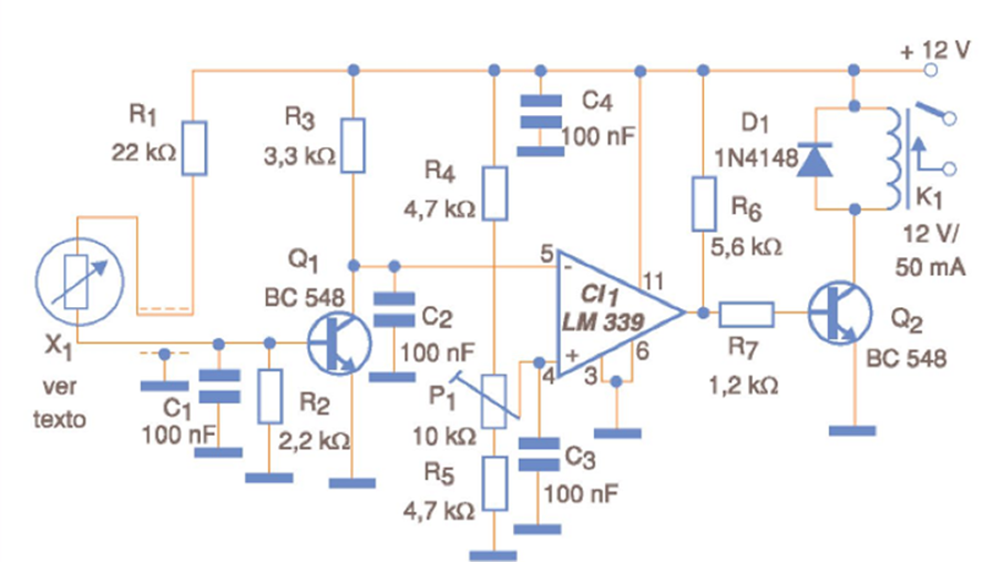
El termostato de uso general que se muestra en la figura utiliza un termistor de alta resistencia como sensor. Se pueden utilizar termistores en el rango de 47 k ohmios a 220 k ohms y en su función se debe cambiar el valor de R3 para obtener la sensibilidad deseada y el punto de disparo del relé. Mediante una etapa amplificadora transistorizada, se detectan pequeñas variaciones en la resistencia del termistor, llevando el circuito al punto de disparo. El ajuste de este punto de disparo se da mediante el trimpot conectado a la entrada de referencia del comparador. Para una mayor precisión se debe utilizar un potenciómetro multivuelta. El relé utilizado es del tipo sensible con bobina de 50 mA (máximo) y tensión acorde a la de la fuente de alimentación. Si el sensor se encuentra algo alejado del circuito (más de 2 metros) se deberá utilizar un cable blindado con la malla debidamente conectada a tierra. El capacitor de 100 nF en la entrada del termistor evita que transitorios o pulsos de corta duración provoquen que el circuito se dispare de manera errática. La fuente de alimentación debe estar estabilizada para no afectar el punto de activación del circuito. Una posibilidad que se puede analizar para algunas aplicaciones es la colocación de un diodo común con polarización inversa como sensor de temperatura.




