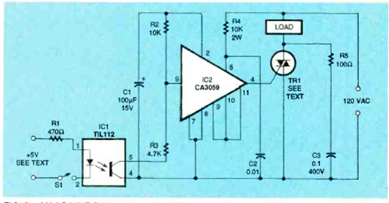
Este circuito utiliza un optoacoplador para conmutar una carga en la red eléctrica. El circuito es de la revista Electronics Now, julio de 1995. El CA3059 no es común hoy en día.
El amplificador operacional utilizado en este circuito de una documentación de los años 70 ya no...
El circuito integrado CA3020 fue uno de los primeros tipos comerciales, vendido en la década de 60....
Este es un circuito de monitor de corriente inteligente del lado alto. El circuito es de un manual...