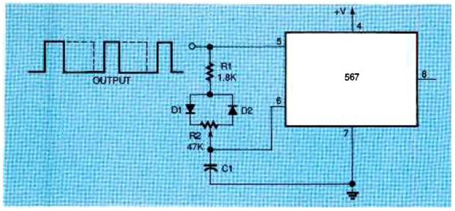
Este circuito generador de espaciador variable se encontró en la edición de diciembre de 1994 de la revista Electronics Now. La frecuencia depende de C1 y puede alcanzar un máximo de 200 kHz.
Este circuito fue originalmente diseñado para controlar la temperatura de un hierro de soldadura,...
Cuando la iluminación disminuye, este multivibrador entra en funcionamiento, haciendo que la...
Este oscilador muy simple, con un solo transistor, fue encontrado en una revista japonesa en 1967....