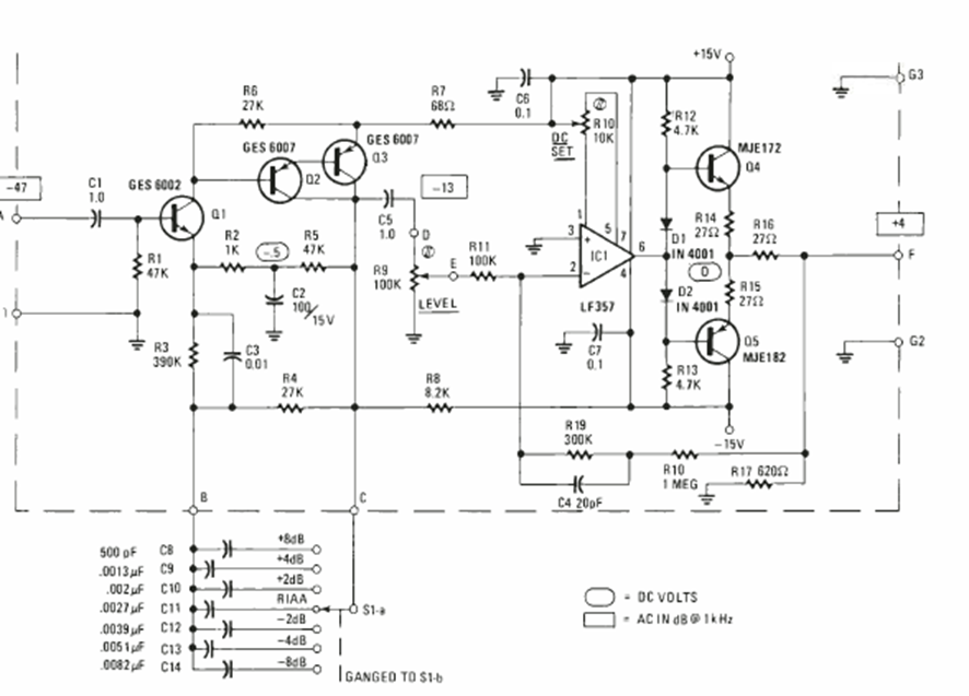
Este circuito fue encontrado en los Radio Electronics Special Projects de 1981. El circuito es estéreo y tiene una ganancia excelente utilizando componentes de la época que aceptan equivalentes modernos.
Este circuito fue originalmente diseñado para controlar la temperatura de un hierro de soldadura,...
Cuando la iluminación disminuye, este multivibrador entra en funcionamiento, haciendo que la...
Este oscilador muy simple, con un solo transistor, fue encontrado en una revista japonesa en 1967....