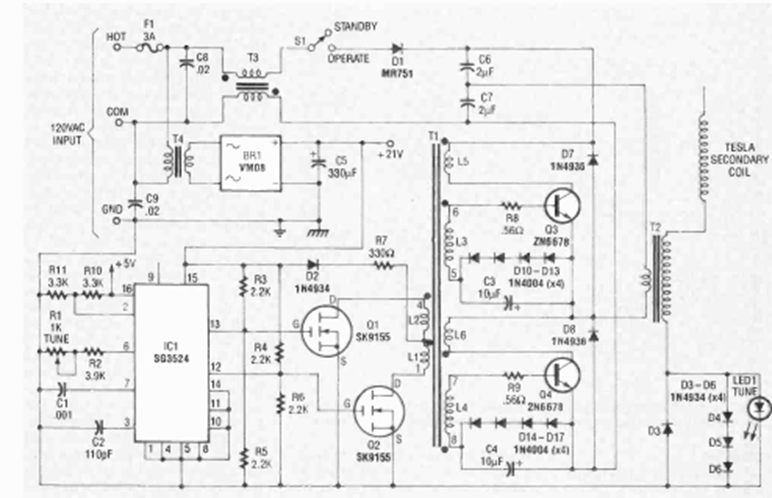
Este circuito es uno de los muchos que tenemos en nuestra sección. Fue tomado del libro Electronics Experimenter Jandbook de 1993. L1 tiene 10 vueltas y L2 tiene 1.000 vueltas en un tubo de PVC o cartón de 1 a 2 pulgadas.
Este circuito fue originalmente diseñado para controlar la temperatura de un hierro de soldadura,...
Cuando la iluminación disminuye, este multivibrador entra en funcionamiento, haciendo que la...
Este oscilador muy simple, con un solo transistor, fue encontrado en una revista japonesa en 1967....