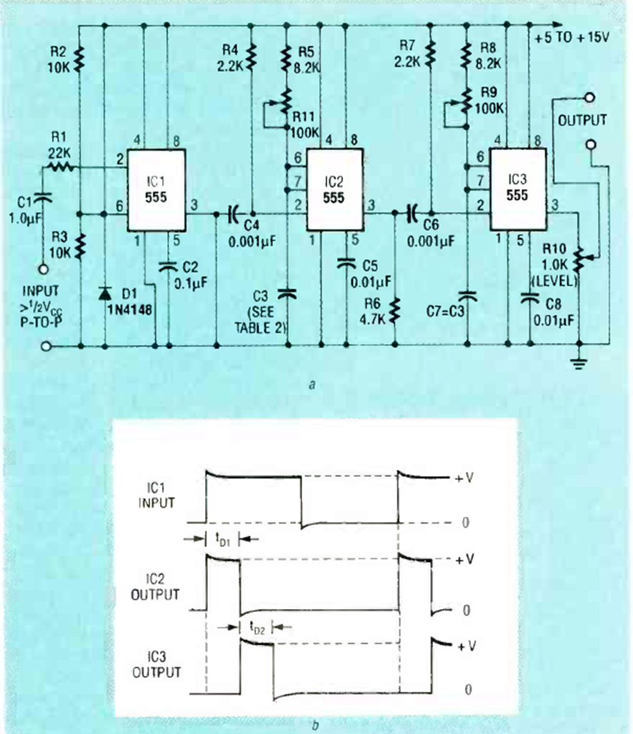
Encontrado en un artículo de la revista Radio Electronics de septiembre de 1992, este circuito genera un pulso como se indica en el gráfico debajo del diagrama. Los tiempos se pueden cambiar cambiando C3 y C7.
Este circuito con alta impedancia de entrada se encontró en una Popular Electronics de los años...
Este circuito se obtuvo de una antigua documentación estadounidense, pero aparece en otras partes de...
Este circuito es del manual CMOS de National Semiconductor de 1977. Lo que este circuito hace es...