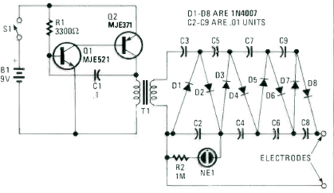
Esta defensa electrónica fue encontrada en el número especial de 1990 de la revista Radio Electronics Experimenter. Genera una tensión de unos pocos cientos de volts.
Este circuito produce un sonido de percusión cuando se dispara mediante un pulso. La fuente de...
Encontrado en un Hands On Electronics de los años 90, este circuito se puede ensamblar fácilmente hoy, ya...
Este pequeño transmisor AM de corto alcance fue obtenido en una publicación argentina de los años...