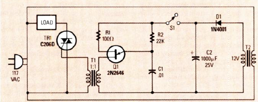
Este circuito es uno de los muchos de su tipo que se pueden encontrar en este sitio. Esto es de Radio Electronics de septiembre de 1987. El triac debe controlarse según la carga.
El oscilador rectangular presentado en la figura hace uso de una de las cuatro puertas NAND de un...
Este circuito reúne en un sistema único diversos tipos de alarmas. Tenemos así los sensores por...
Este circuito tiene por objetivo accionar un relé cuando incide la luz en el LDR. Podemos usarlo en...