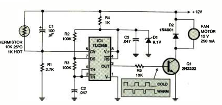
Encontrado en la revista Electronics Now de febrero de 1997, este circuito controla motores según el transistor utilizado. Para el transistor indicado, la corriente máxima es de 200 mA.
El oscilador rectangular presentado en la figura hace uso de una de las cuatro puertas NAND de un...
Este circuito reúne en un sistema único diversos tipos de alarmas. Tenemos así los sensores por...
Este circuito tiene por objetivo accionar un relé cuando incide la luz en el LDR. Podemos usarlo en...