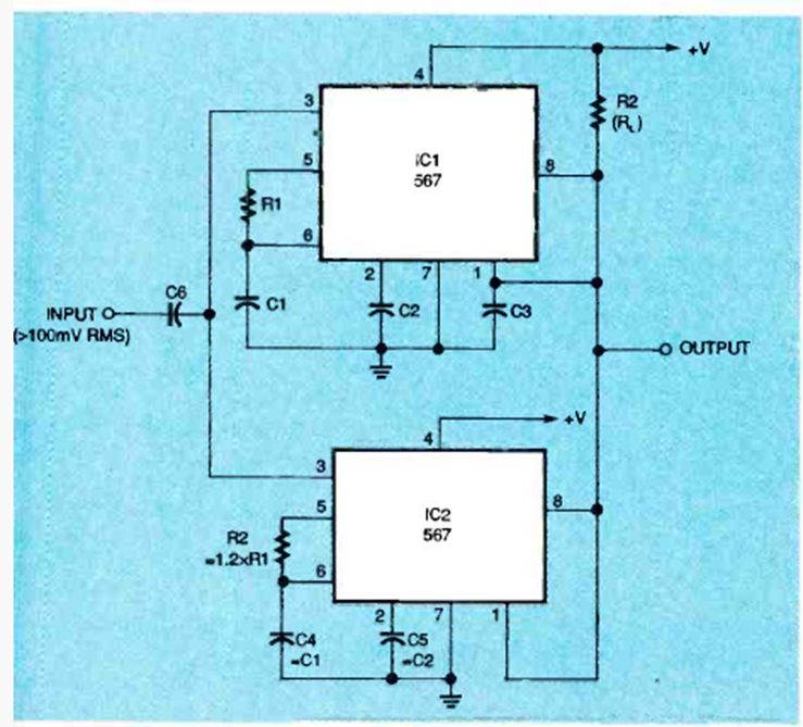
Este decodificador de dos tonos tiene un ancho de banda del 24%. El circuito es de un Electronics Now de 1994. Los componentes sin valor determinan la frecuencia reconocida.
El oscilador rectangular presentado en la figura hace uso de una de las cuatro puertas NAND de un...
Este circuito reúne en un sistema único diversos tipos de alarmas. Tenemos así los sensores por...
Este circuito tiene por objetivo accionar un relé cuando incide la luz en el LDR. Podemos usarlo en...