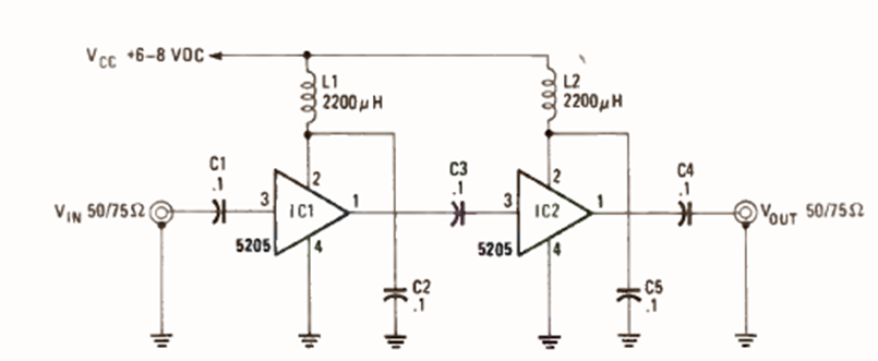
Utilizando el circuito integrado NE5205, este circuito fue encontrado en la revista Radio Electronics de mayo de 1987. Puede amplificar señales de hasta 450 MHz.
El oscilador rectangular presentado en la figura hace uso de una de las cuatro puertas NAND de un...
Este circuito reúne en un sistema único diversos tipos de alarmas. Tenemos así los sensores por...
Este circuito tiene por objetivo accionar un relé cuando incide la luz en el LDR. Podemos usarlo en...