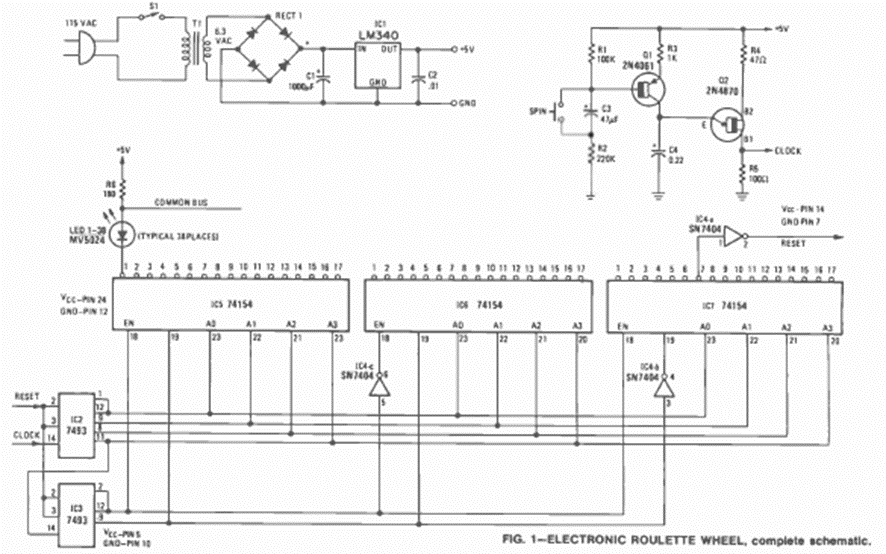
Este juego con circuitos lógicos digitales fue encontrado en la revista Radio Electronics de diciembre de 1976. El circuito incluye la fuente de alimentación que acciona un conjunto de LED.
El oscilador rectangular presentado en la figura hace uso de una de las cuatro puertas NAND de un...
Este circuito reúne en un sistema único diversos tipos de alarmas. Tenemos así los sensores por...
Este circuito tiene por objetivo accionar un relé cuando incide la luz en el LDR. Podemos usarlo en...