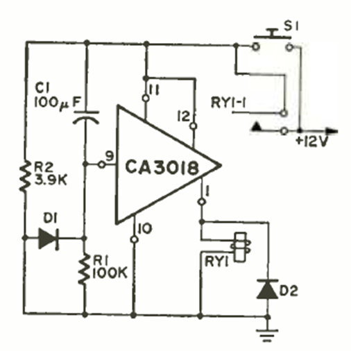
Encontramos este circuito en una Radio Electrónica de agosto de 1970. El circuito acciona un relé sensible de 12 V y los diodos son para propósito general. La alimentación es según el relé.

Encontramos este circuito en una Radio Electrónica de agosto de 1970. El circuito acciona un relé sensible de 12 V y los diodos son para propósito general. La alimentación es según el relé.
