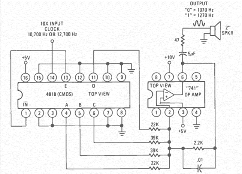
Este generador CMOS con el 4018 se encontró en la revista Radio Electronics de noviembre de 1976. Utiliza un 741 op como amplificador de audio.
He aquí una montaje muy curiosa que implica la producción alternativa de energía eléctrica: una...
Describimos el montaje de un fotómetro muy simple que puede ser usado en la comparación de niveles...
Para esto se necesitará el siguiente material: 1 Capacitor electrolítico de 470 µF o 1000 µF de...