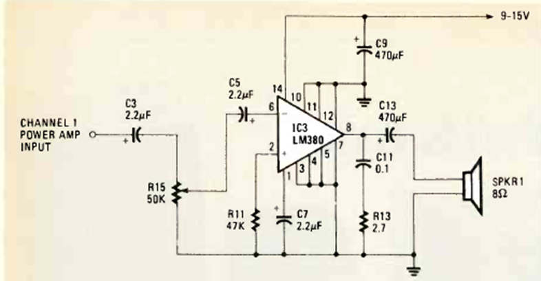
Este es otro de los circuitos con el LM380 que tenemos en esta sección. Lo encontramos en un artículo sobre amplificadores Walkman en la revista Radio Electronics de marzo de 1986.
He aquí una montaje muy curiosa que implica la producción alternativa de energía eléctrica: una...
Describimos el montaje de un fotómetro muy simple que puede ser usado en la comparación de niveles...
Para esto se necesitará el siguiente material: 1 Capacitor electrolítico de 470 µF o 1000 µF de...