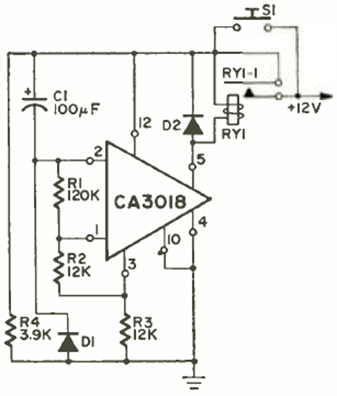
Esta aplicación del circuito integrado RCA lanzado en ese momento se encontró en la edición de agosto de 1970 de la revista Radio Electronics. El relé debe tener una resistencia superior a 240 ohms. El tiempo lo da C1.

Esta aplicación del circuito integrado RCA lanzado en ese momento se encontró en la edición de agosto de 1970 de la revista Radio Electronics. El relé debe tener una resistencia superior a 240 ohms. El tiempo lo da C1.
