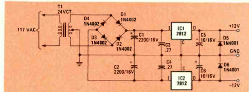
Esta fuente simétrica aparece en nuestra sección en muchas versiones. Esto es de la revista Radio Electronics de julio de 1984. Los circuitos integrados deben estar equipados con un disipador de calor. La tensión es 12 + 12 V y la corriente es 1 A.
He aquí una montaje muy curiosa que implica la producción alternativa de energía eléctrica: una...
Describimos el montaje de un fotómetro muy simple que puede ser usado en la comparación de niveles...
Para esto se necesitará el siguiente material: 1 Capacitor electrolítico de 470 µF o 1000 µF de...