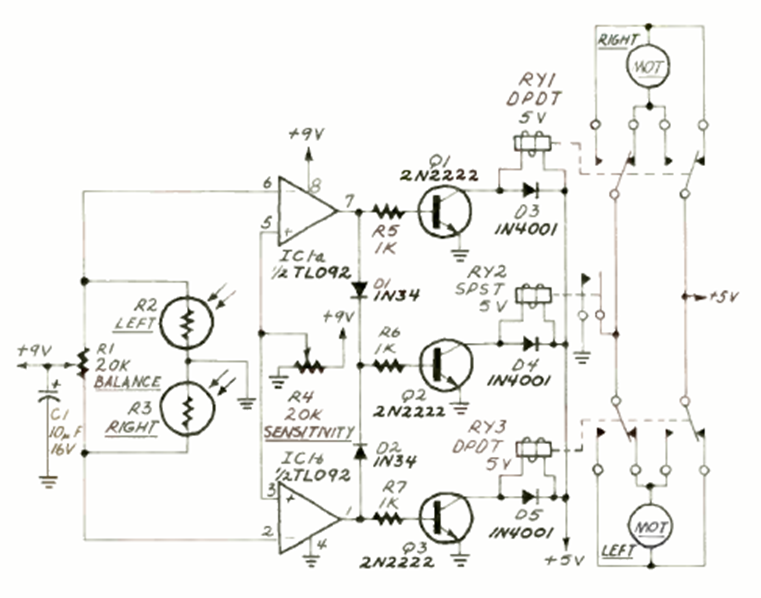
Este interesante circuito sirve para controlar un pequeño robot que busca una fuente de luz. Los sensores son LDR y el circuito tiene un ajuste de equilibrio de sensibilidad. El robot utiliza dos motores y tres relés.
He aquí una montaje muy curiosa que implica la producción alternativa de energía eléctrica: una...
Describimos el montaje de un fotómetro muy simple que puede ser usado en la comparación de niveles...
Para esto se necesitará el siguiente material: 1 Capacitor electrolítico de 470 µF o 1000 µF de...