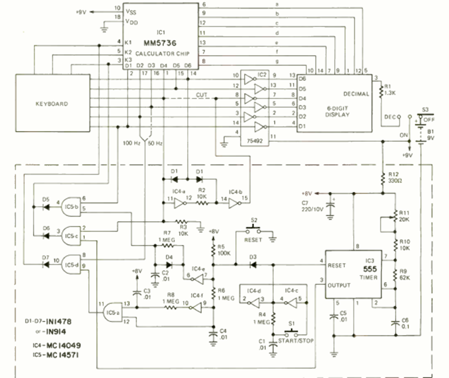
Este circuito fue encontrado en la revista Radio Electronics de febrero de 1976. Los componentes son de la época basados en el 555. La alimentación debe realizarse con las tensiones indicadas.
Este circuito convierte las señales de la banda de 350 a 500 kHz a la banda de 4.36 a 4.5 MHz, lo que...
Este circuito de automatización fue encontrado en la revista Radio Electronics de octubre de 1961....
Este circuito de puente H puede usar transistores de media potencia de hasta 500 mA como BD135 y...