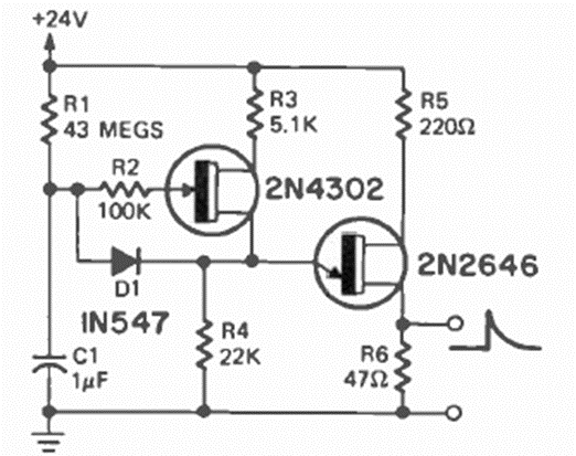
Este circuito para retrasos prolongados se encontró en la revista Radio Electronics de julio de 1973. El capacitor determina el retraso. El transistor unijuntura es bien conocido y el transistor bipolar puede ser cualquier FET de propósito general.

Este circuito para retrasos prolongados se encontró en la revista Radio Electronics de julio de 1973. El capacitor determina el retraso. El transistor unijuntura es bien conocido y el transistor bipolar puede ser cualquier FET de propósito general.
