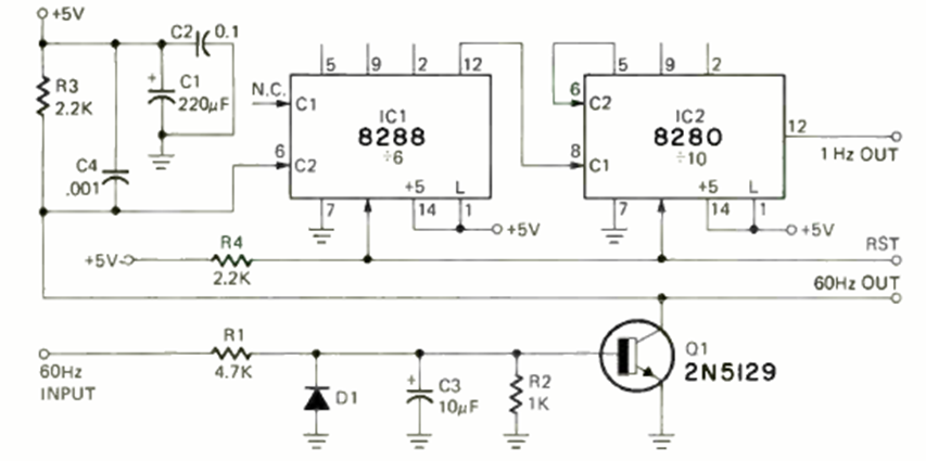
Este circuito de base de tiempo lo encontramos en un proyecto de temporizador de la revista Radio Electronics de agosto de 1972. El circuito aprovecha la señal de 60 Hz de la red eléctrica.
Este circuito convierte las señales de la banda de 350 a 500 kHz a la banda de 4.36 a 4.5 MHz, lo que...
Este circuito de automatización fue encontrado en la revista Radio Electronics de octubre de 1961....
Este circuito de puente H puede usar transistores de media potencia de hasta 500 mA como BD135 y...