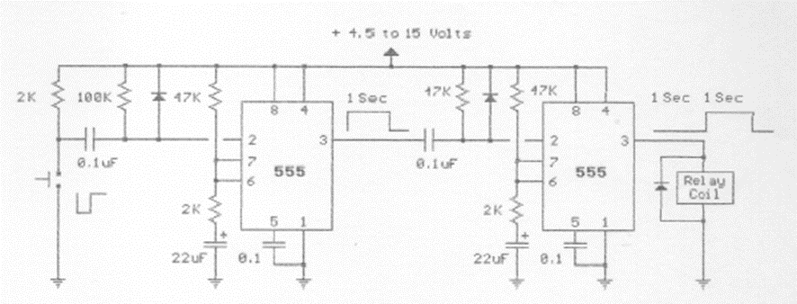
Este circuito común con el 555 se encontró en documentación de los años 90. El circuito usa dos 555 y los tiempos están dados por los capacitores en cada uno de los 555. El circuito activa un relé en 1 segundo. Produciendo un pulso de 1 segundo.
Este circuito convierte las señales de la banda de 350 a 500 kHz a la banda de 4.36 a 4.5 MHz, lo que...
Este circuito de automatización fue encontrado en la revista Radio Electronics de octubre de 1961....
Este circuito de puente H puede usar transistores de media potencia de hasta 500 mA como BD135 y...