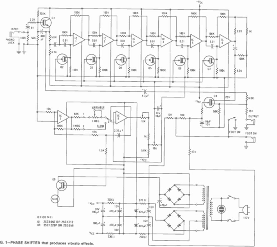
El propósito de este circuito que se encuentra en la revista Radio Electronics de septiembre de 1977 es producir el efecto vibrato. Es un circuito de cambio de fase que funciona con operativa común.
Este circuito convierte las señales de la banda de 350 a 500 kHz a la banda de 4.36 a 4.5 MHz, lo que...
Este circuito de automatización fue encontrado en la revista Radio Electronics de octubre de 1961....
Este circuito de puente H puede usar transistores de media potencia de hasta 500 mA como BD135 y...