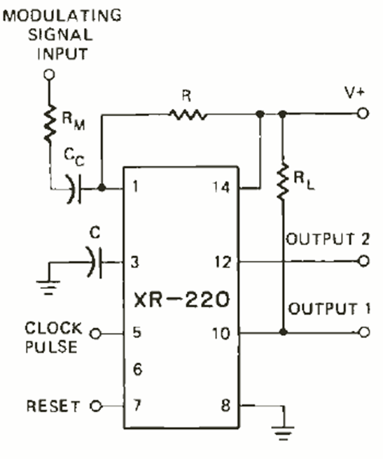
Encontrado en la revista Radio Electronics de octubre de 1972, este circuito genera pulsos modulados. Los condensadores C y R determinan la frecuencia. Los resultados son complementarios.

Encontrado en la revista Radio Electronics de octubre de 1972, este circuito genera pulsos modulados. Los condensadores C y R determinan la frecuencia. Los resultados son complementarios.
