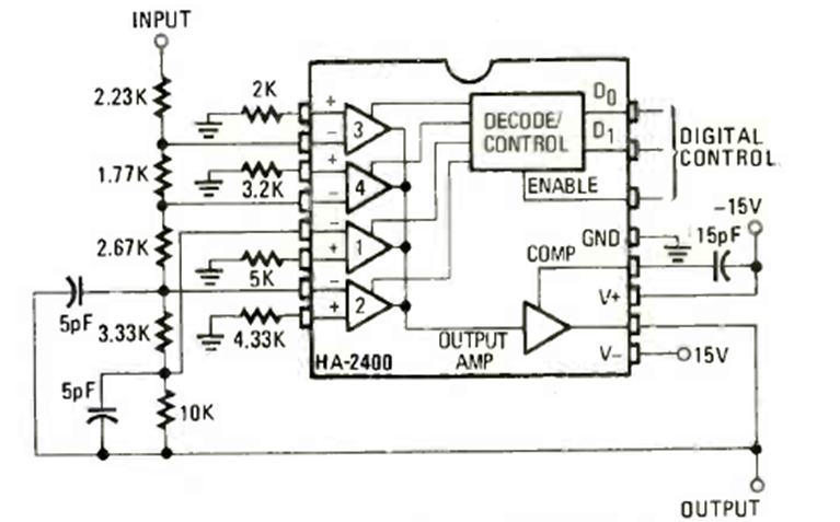
Este circuito con el HA2400 se encontró en la revista Radio Electronics de marzo de 1980. El circuito tiene un control de ganancia digital y debe ser alimentado por una fuente simétrica de 15 V.
Como hemos visto, el circuito integrado 555 es uno de los temporizadores más populares y encuentra...
A falta de un circuito para amplificar las señales de un termopar en un control de temperatura u otra...
¿Cómo generar energía eléctrica a partir de dos monedas comunes? Si el lector cree que eso es...