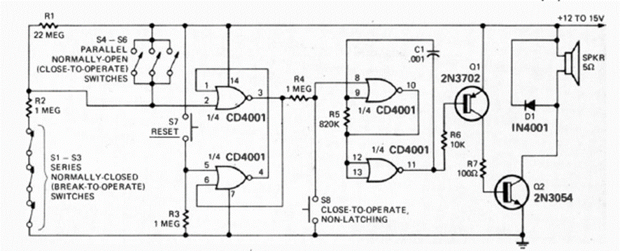
Esta alarma con sensores NO y NC fue encontrada en la revista Radio Electronics de enero de 1975. El circuito emite un sonido potente que depende del transistor de salida.
Como hemos visto, el circuito integrado 555 es uno de los temporizadores más populares y encuentra...
A falta de un circuito para amplificar las señales de un termopar en un control de temperatura u otra...
¿Cómo generar energía eléctrica a partir de dos monedas comunes? Si el lector cree que eso es...