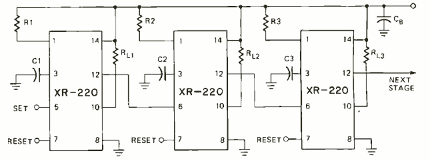
El XR220 es un circuito equivalente al 555 de los años 1970. Esta configuración de la revista Radio Electronics de octubre de 1972 muestra cómo usarlo en un temporizador secuencial. Resistores y capacitores determinan los tiempos de cada etapa.
Este circuito produce el ruido del goteo de un grifo o una gotera cuando la luz deja de incidir en el...
Este circuito aumenta la sensibilidad de un relé de 6 o 12V, permitiendo su operación directa con...
¿Qué tal montar un intercomunicador secreto para conversar con su hermano, vecino o compañero sin que...