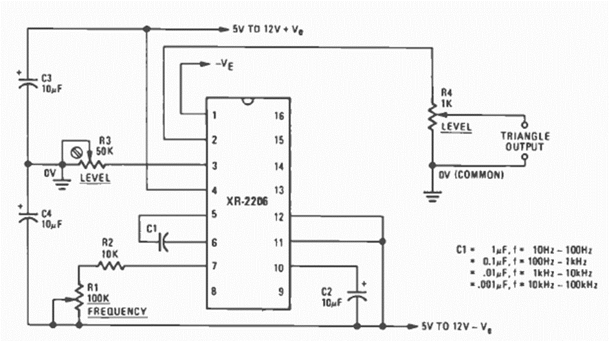
Encontrado en una Radio Electrónica de abril de 1977, este circuito utiliza el conocido XR2206. Los valores de C1 para las diferentes bandas de frecuencia se dan junto al diagrama.
Este circuito con componentes únicamente pasivos debe conectarse a la entrada de un amplificador. Lo...
Este circuito fue publicado en una revista inglesa de 1982, pero se puede montar fácilmente...
El nombre del receptor encontrado en una Popular Electronics de marzo de 1957 proviene del hecho de...