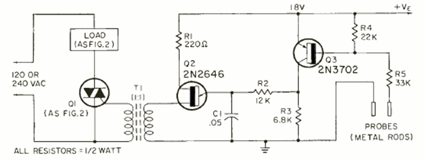
Este circuito es de una revista de Radio Electronics de julio de 1970. Los sensores son sondas metálicas. La fuente de 18 V debe estar aislada de la red eléctrica.
Este circuito produce el ruido del goteo de un grifo o una gotera cuando la luz deja de incidir en el...
Este circuito aumenta la sensibilidad de un relé de 6 o 12V, permitiendo su operación directa con...
¿Qué tal montar un intercomunicador secreto para conversar con su hermano, vecino o compañero sin que...