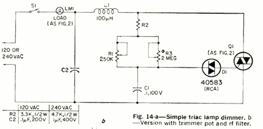
Otro circuito de atenuación. Este atenuador para lámparas incandescentes se encontró en la revista Radio Electronics de julio de 1970. El triac debe estar equipado con un disipador de calor y su corriente debe controlarse según la carga.
Este circuito con componentes únicamente pasivos debe conectarse a la entrada de un amplificador. Lo...
Este circuito fue publicado en una revista inglesa de 1982, pero se puede montar fácilmente...
El nombre del receptor encontrado en una Popular Electronics de marzo de 1957 proviene del hecho de...