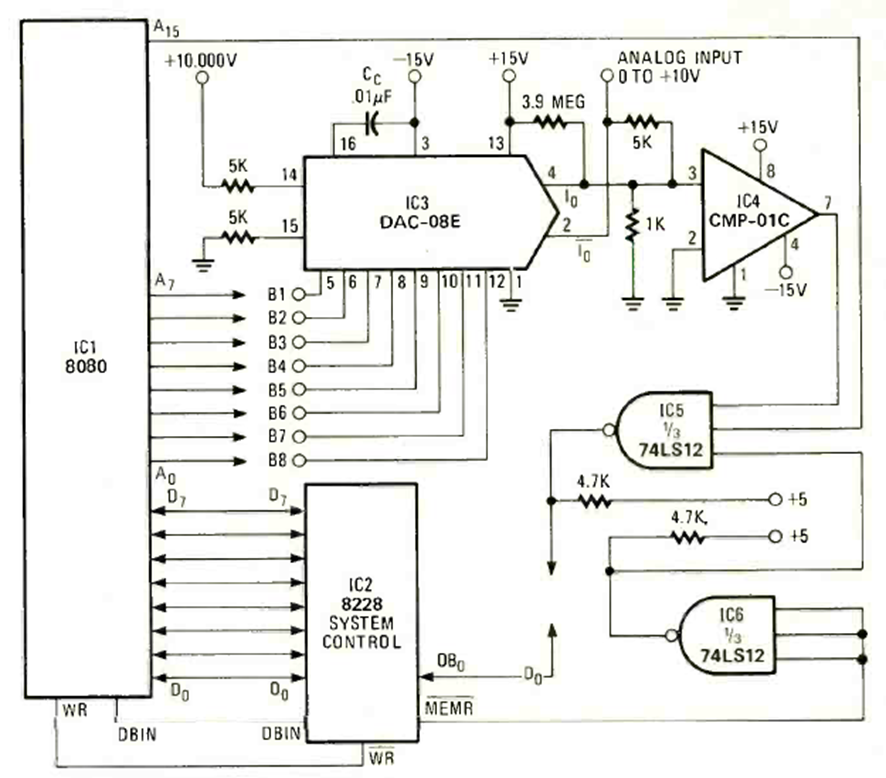
En la figura vemos cómo utilizar un 8080 en un conversor de digital a analógico. El circuito es de una Radio Electrónica de febrero de 1978. Los demás componentes son de la época, excepto el TTL.
Este circuito se encontró en una Electronic Design de 1965. La configuración se puede aplicar a...
Encontrado en la documentación anterior, este circuito está sintonizado para pasar señales por debajo...
Este circuito aparece en otra parte de este sitio, pero de diferentes fuentes. Usando el LM3900,...