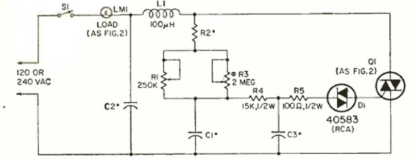
El uso de un diac mejora el rendimiento de los dos atenuadores en los circuitos anteriores. El circuito es de la misma revista Radio Electronics en un artículo que enseña a utilizar triacs.
Este circuito produce el ruido del goteo de un grifo o una gotera cuando la luz deja de incidir en el...
Este circuito aumenta la sensibilidad de un relé de 6 o 12V, permitiendo su operación directa con...
¿Qué tal montar un intercomunicador secreto para conversar con su hermano, vecino o compañero sin que...