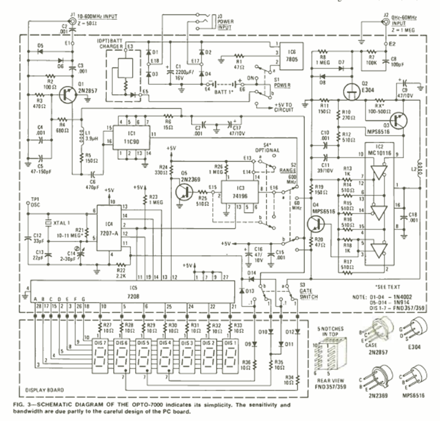
Encontramos este circuito en la revista Radio Electronics de enero de 1979. Los componentes siguen siendo comunes hoy en día, destacando el excitador 7106 en los displays.
Este circuito amplifica senales de AM y FM, mejorando la recepción de las radios poco sensibles....
Encontramos este circuito en el Manual de aplicaciones lineales de National Semiconductor. Utiliza el...
Si bien es una configuración común todavía hoy, este circuito se ha retirado de una publicación antigua....