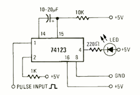
Usando un TTL 74123, este circuito se encontró en la revista Radio Elecronics de junio de 1975. La fuente de alimentación debe ser de 5 V. El capacitor determina el tiempo de activación.

Usando un TTL 74123, este circuito se encontró en la revista Radio Elecronics de junio de 1975. La fuente de alimentación debe ser de 5 V. El capacitor determina el tiempo de activación.
