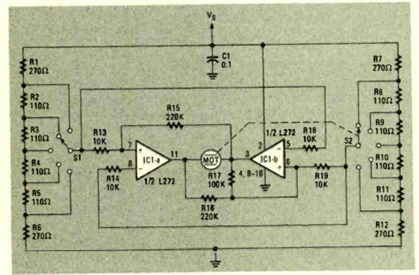
Este control de motor de CC utiliza un amplificador operacional de potencia. Lo encontramos en la revista Radio Electronics de diciembre de 1984. El amplificador debe montarse sobre un radiador de calor y la corriente máxima es 1 A.
Este circuito amplifica senales de AM y FM, mejorando la recepción de las radios poco sensibles....
Encontramos este circuito en el Manual de aplicaciones lineales de National Semiconductor. Utiliza el...
Si bien es una configuración común todavía hoy, este circuito se ha retirado de una publicación antigua....