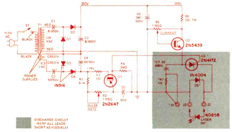
Este es uno de los primeros proyectos de láser de estado sólido. Lo encontramos en la revista Radio Electronics de junio de 1972. El circuito incluye la fuente de alimentación y el artículo describe varios experimentos.
Este circuito amplifica senales de AM y FM, mejorando la recepción de las radios poco sensibles....
Encontramos este circuito en el Manual de aplicaciones lineales de National Semiconductor. Utiliza el...
Si bien es una configuración común todavía hoy, este circuito se ha retirado de una publicación antigua....