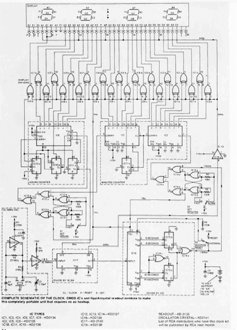
Este circuito basado en lógica CMOS se encontró en la revista Radio Electronics de abril de 1974. El circuito se basa en un display indicador de la época y tiene indicaciones de horas y minutos.
Este circuito amplifica senales de AM y FM, mejorando la recepción de las radios poco sensibles....
Encontramos este circuito en el Manual de aplicaciones lineales de National Semiconductor. Utiliza el...
Si bien es una configuración común todavía hoy, este circuito se ha retirado de una publicación antigua....