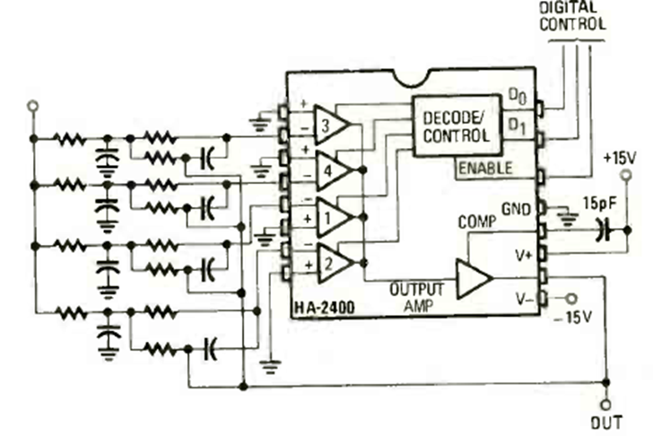
A través de control digital, este circuito activa los filtros de entrada que tienen las frecuencias seleccionadas por sus componentes. El circuito es de una Radio Electronics de marzo de 1980. El circuito integrado es el HA2400.
Este circuito amplifica senales de AM y FM, mejorando la recepción de las radios poco sensibles....
Encontramos este circuito en el Manual de aplicaciones lineales de National Semiconductor. Utiliza el...
Si bien es una configuración común todavía hoy, este circuito se ha retirado de una publicación antigua....