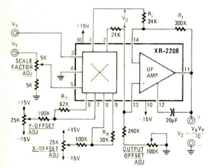
Este circuito de aplicación XR2208 se encontró en la revista Radio Electronics de abril de 1978. El circuito debe alimentarse con una tensión de 15 V y existe un ajuste de compensación.
Este circuito amplifica senales de AM y FM, mejorando la recepción de las radios poco sensibles....
Encontramos este circuito en el Manual de aplicaciones lineales de National Semiconductor. Utiliza el...
Si bien es una configuración común todavía hoy, este circuito se ha retirado de una publicación antigua....