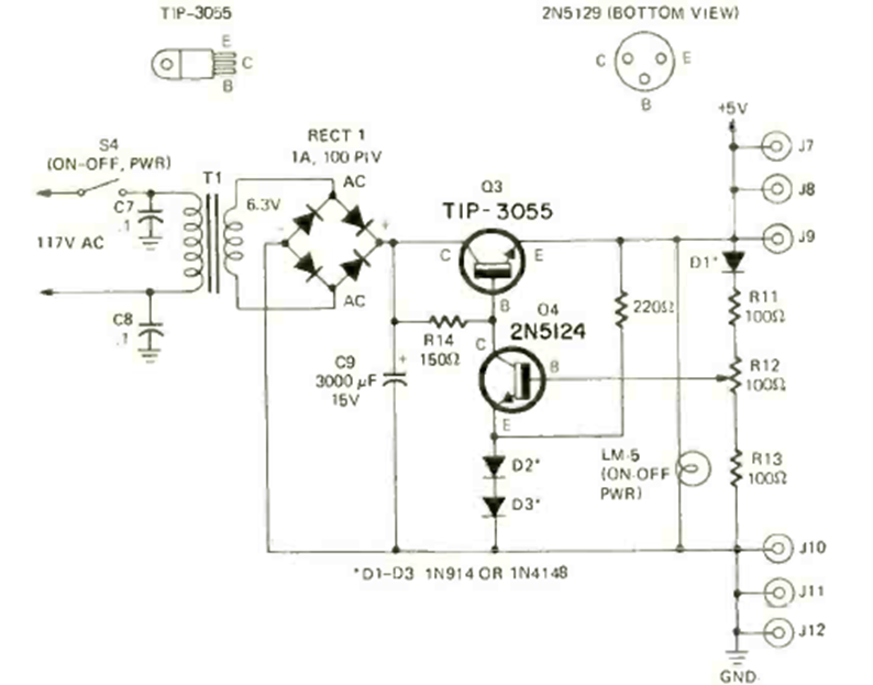
Encontramos este circuito fuente TTL en la revista Radio Electronics de diciembre de 1972. El circuito utiliza un transformador de 1 A y el transistor 2N3055 debe estar equipado con un buen disipador de calor.
Es un simple proyecto electrónico que puede convertirse en regalo o brindis que seguramente le...
Este circuito se puede ajustar para disparar y producir un sonido cuando la luz en el LDR se corta...
Esta configuración, que aparece en otros puntos de este sitio, fue encontrada en una documentación de...