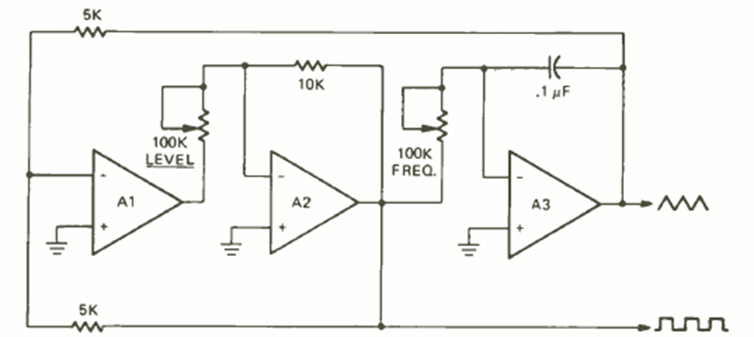
Hallado en la revista Radio Electronics de junio de 1972, este circuito genera señales que dependen del ajuste y pueden alcanzar los 20 kHz. Los amplificadores operacionales son tipos de propósito general como el 741.
Es un simple proyecto electrónico que puede convertirse en regalo o brindis que seguramente le...
Este circuito se puede ajustar para disparar y producir un sonido cuando la luz en el LDR se corta...
Esta configuración, que aparece en otros puntos de este sitio, fue encontrada en una documentación de...